网站地图
产品展示
联系我们
欢迎来到河南港泰重工集团官网!
20年专注
港机船机的定制生产
关注每一处细节,只因我们更懂您的需求!
全国咨询热线
19939742978
港泰首页
公司简介
产品展示
新闻中心
成功案例
安装保养
联系我们
热搜关键词:
跨运车
集装箱门式起重机
门座式起重机
船用起重机
造船门式起重机
您的位置:
首页
>
产品展示
>>
门座式起重机
>>
产品展示
门座式起重机
四连杆门座吊
单臂架门座吊
多功能门座吊
抓斗式门座吊
船用起重机
船用克令吊
码头克令吊
船用门式舱盖吊
船用自卸吊
造船门式起重机
造船门机
造船厂专用门机
造船用花架龙门吊
双主梁造船龙门吊
集装箱门式起重机
岸边集装箱门式起重机
QB5-50t防爆桥式起重机
QBE型64t防爆桥式起重机
LB型20t防爆单梁起重机
跨运车
咨询热线
19939742978
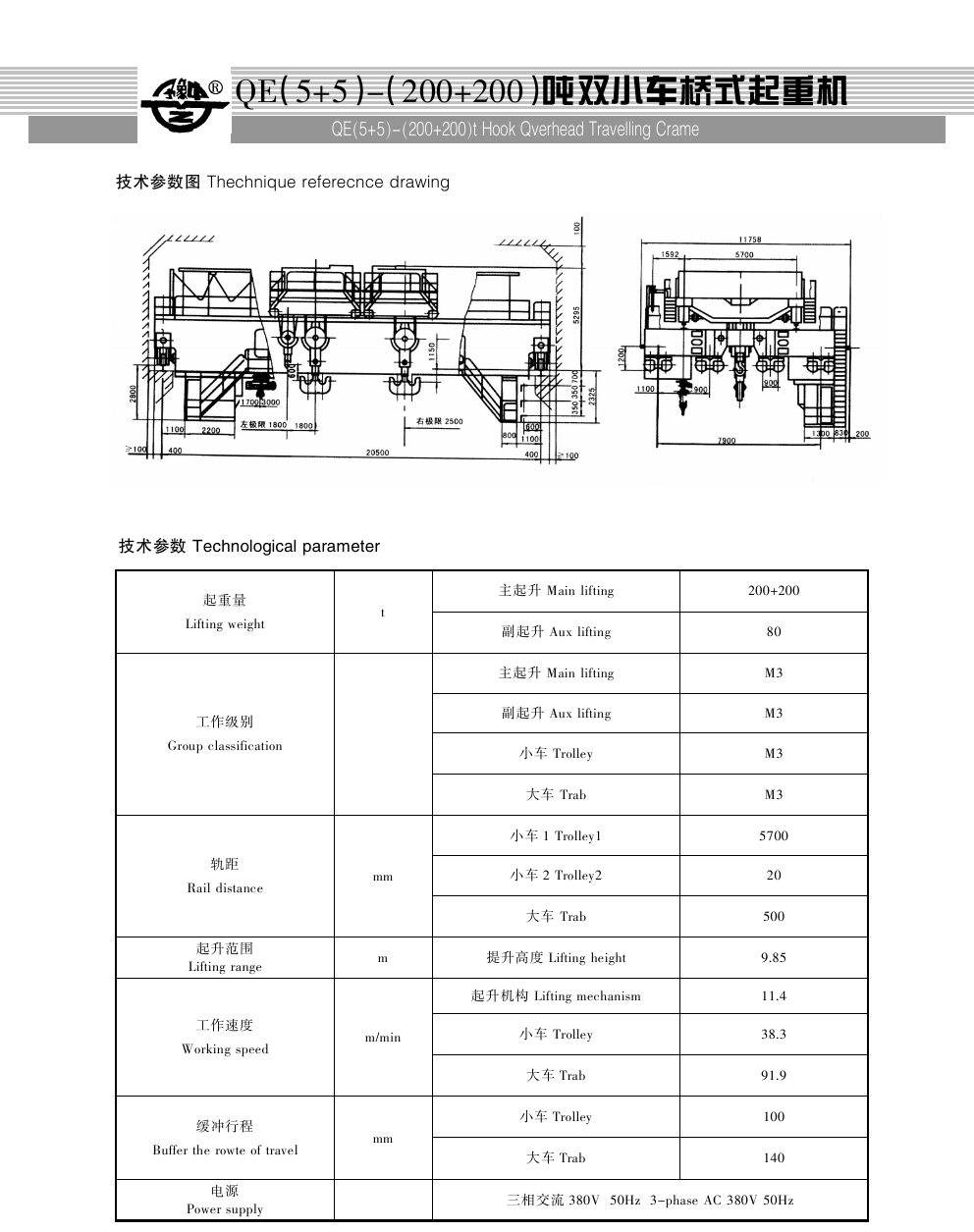
QE型双小车桥式起重机
...
在线咨询
全国热线
19939742978
【相关推荐】
浙江宁波单臂架门座式起重机公司单臂架门座式起重机通用性强
贵州贵阳航车价格
湖北武汉单臂架门座式起重机公司单臂架门座式起重机运行稳定性好
上一条:
QDY5-74t通用桥式起重机
下一条:
QD5-300通用桥式起重机
返回列表
关键词:
桥式起重机
Express
way
快速通道
门座式起重机
四连杆门座吊
单臂架门座吊
多功能门座吊
抓斗式门座吊
门座式起重机
查看更多
船用起重机
船用克令吊
码头克令吊
船用门式舱盖吊
船用自卸吊
液压折臂吊
查看更多
跨运车
查看更多